Hospital Oxygen Generator
Oxygen Generating Systems Intl. (OGSI) offers complete Medical Oxygen Generating Systems for hospitals worldwide. Operating in over 70 Countries, OGSI has the engineering and manufacturing experience to meet your facility`s needs. OGSI designs, builds and installs turn-key medical PSA oxygen systems.
Hospitals all over the world are realizing that on-site oxygen generation provides a highly reliable and economic solution for their medical oxygen requirements. Eliminate supply disruptions and the expense of purchasing, receiving, and monitoring your hospital`s oxygen supply.
Our equipment:
- is fully automatic
- easy to maintain
- economical (average only 3 to 4 kilowatts of electricity per 100 cubic feet of oxygen)
- produces a continuous flow of medical grade oxygen
- can support ventilators and anesthesia equipment
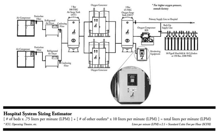
OGSI’s medical systems equipment can supply to both medical piping distribution systems as well as fill cylinders. OGSI medical systems are available in single and dual setups which combined with cylinder filling provides both duplex and triplex (primary, secondary, and back-up) protection. Oxygen supplies capable of operating ventilation and anesthesia equipment can be life saving. OGSI’s equipment can supply adequate working pressure.
93% Oxygen Safe for Medical Use
OGSI equipment is fabricated in accordance with all relevant codes (ASME, ANSI, NEMA, CE) and can be configured to meet CRN and CSA Standards. Oxygen produced meets the United States Pharmacopeia (USP) XXII Oxygen 93% Monograph as well as European and other Pharmacopeia.
Continuously Monitored Purity and Flow
All hospital oxygen systems come equipped with a continuous monitoring station. This device ensures that the oxygen’s purity and concentration of CO and CO2 gas remain within acceptable limits.

Options:
- Touch screen control panel
- NEMA 4 or 4X rating
- Self-diagnostic electronics
- Ethernet based communications to the factory or service center
- 5 bar O2 pressure output
- High pressure cylinders
- Spares
- Tool kit


