Environics - Model 7000 Series -Stand-Alone Zero Air Generator System
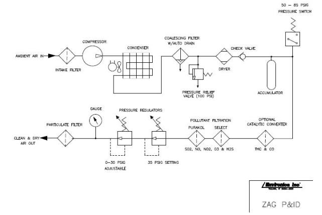
The Environics Series 7000 Zero Air Generator is an ultra high purity air generator system that is capable of continuous delivery of up to 20 standard liters per minute (SLPM), 30 pounds per square inch (PSI) of dry, contaminant-free air. The ZAG is a powerful stand-alone unit, so there is no need for you to worry about an external compressed air supply or dangerous and expensive gas cylinders. The air is suitable for use as: a zero reference calibration gas, ultra-pure combustion air for flame ionization detector (FID), and service air for pneumatically operated valves. The system is capable of delivering air free from water vapor, particulates, sulfur dioxide (SO2), Hydrogen Sulfide (H2S), Oxides of Nitrogen (NO), Nitrogen Dioxide (NO2), Ozone (O3), Carbon Monoxide (CO) and Hydrocarbons (HC).
The state-of-the-art PSA molecular sieve removes water and produces air with a dew point of less than -30°C. An adjustable drain interval negates the potential of excess water build-up. The Series 7000 is available with an optional dew point transmitter.
The Zero Air Generator now includes a color-changing moisture indicator (visible on the front panel, see updated P&ID below). If water vapor is present, the indicator will change from white to blue. When the water vapor is removed, the indicator will revert to its white color.
The ZAG now includes with dual pressure regulation for enhanced performance.
The Series 7000 consists of an oil-less piston pump and scrubbers to remove SO2, NO, NO2, O3 and H2S. Optional scrubbers are available to remove CO and Hydrocarbons.
A ballast tank is standard in the system. It extends both the pump and scrubber life by cycling the pump automatically only as needed.
The Series 7000 offers automatic pneumatic control. It will automatically turn on and off based on the demand of the system that it is supporting.
Operation of the system has been simplified so that the operator can set the output pressure desired through a regulator on the front panel of the system. The output pressure gauge is located to accurately reflect the output pressure of the system.
The Zero Air Generator is designed to fit into a 19" rack with optional slides or used in a portable mode. Strict attention has been paid to the weight of all components to make this system as light as possible.
Recommended ZAG Maintenance Schedule (assuming average use and conditions)
In order to keep your ZAG working at the highest level, we recommend the following maintenance schedule, assuming average system conditions and use.
- Fan filter should be cleaned by blowing out the filter monthly.
- The pollution scrubber/converter and secondary scrubber media should be replaced yearly.
- The input and output particle filters should be replaced yearly.

- Output: 1-20 LPM @ 30 psig (2.07Bar)
- Dewpoint: less than -20°C up to 10 LPM
- less than -10°C up to 20 LPM
Output concentration:
- less than 0.5 ppb SO2
- less than 0.5 ppb NO
- less than 0.5 ppb NO2
- less than 0.5 ppb O3
- less than 0.025 ppm CO (requires optional scrubber)
- less than 0.02 ppm Hydrocarbons (requires optional scrubber)
- Pump: Internal long-life, oil-less piston pump
- HC Scrubber Temperature: 300°C to 482°C (Adjustable)
Dimensions:
- Portable:Height: 8.75" (22.2 cm)
- Width: 19" (48.2 cm)
- Length: 23.5" (59.7 cm)
- Rack:Height: 8.75" (22.2 cm)
- Width: 19" (48.2 cm)
- Length: 23.5" (59.7 cm)
- Weight: 45 lbs (20.4 kg)
Electrical Requirements:
- Standard: 100 VAC to 250 VAC, (50/60 Hz)
- Power consumption:< 500 watts
Operating Temperatures:
- 4°C - 44°C
- Performance Temperature Range
- 15°C - 30°C
Environics is a registered trademark of Environics Inc. Other trade names or brand names are the property of their respective holders. We hope the information given here will be helpful. It is based on data and knowledge considered to be true and accurate and is offered for the users` consideration, investigation and verification, but we do not warrant the results to be obtained. All specifications and descriptions contained herein are subject to change without notice. Please read all statements, recommendations or suggestions in conjunction with our conditions of sale which apply to all goods supplied by us. No statement, recommendation, or suggestion is intended for any use which would infringe any patent or copyright.
